欢迎来到-
无锡上研液压有限公司
的官方网站!
简体中文
|
English
首页
关于上研
企业简介
企业文化
企业新闻
行业新闻
产品展示
液压系统系列
液压组件系列
液压附件系列
液压缸系列
代理产品系列
解决方案
技术共享
订购须知
联系我们
产品展示
产品展示
上研以雄厚的生产实力和优良的售后服务赢得了客户的信任和赞誉
主要生产液压系统和液压组件
液压系统系列
低压液压系统
高压液压系统
伺服液压系统
液压动力单元
防爆液压系统
同步液压系统
润滑液压系统
液压组件系列
压力控制阀
螺纹插装阀
方向阀
叠加阀
液压泵
液压电机
液压阀块
液压附件系列
CLC附件
水冷却器
风冷却器
液压缸系列
MOB轻型油缸系列
HOB重型油缸系列
ISD.ILA薄型油压缸系列
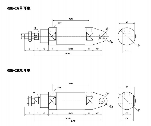
ROB圆型油压缸系列
伺服液压缸
SOB大型油缸系列
代理产品系列
MOOG伺服阀
ROB圆型油压缸
型号说明
结构简图
安装尺寸
首页
关于上研
新闻动态
产品展示
技术共享
订购须知
联系我们