Welcome to the official website of -
Wuxi Shangyan Hydraulic Co., Ltd.!
简体中文
|
English
Home
About
company profile
company culture
Corporate News
Industry News
Product
Hydraulic system series
Hydraulic component series
Hydraulic accessories series
Hydraulic cylinder series
Agent product series
solution
Technology Sharing
Order notice
contact us
Product display
Product display
Shangyan has won the trust and praise of customers with its strong production strength and excellent after-sales service.
Mainly produce hydraulic systems and hydraulic components
Hydraulic system series
Low pressure hydraulic system
High pressure hydraulic system
Servo hydraulic system
Hydraulic power unit
Explosion-proof hydraulic system
Synchronous hydraulic system
Lubrication hydraulic system
Hydraulic component series
Pressure control valve
Threaded Cartridge Valve
Directional valve
Superimposed valve
Hydraulic pump
Hydraulic motor
Hydraulic valve block
Hydraulic accessories series
CLC accessories
Water cooler
Wind cooler
Hydraulic cylinder series
MOB light cylinder series
HOB heavy duty cylinder series
ISD.ILA thin hydraulic cylinder series
ROB round hydraulic cylinder series
Servo hydraulic cylinder
SOB large cylinder series
Agent product series
MOOG Servo Valve
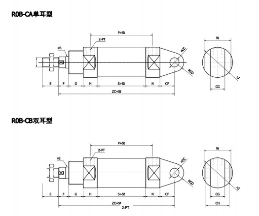
ROB round hydraulic cylinder
Model Description
structure diagram
Installation size
Home
about
News
Product
Technology sharing
Order notice
contact us